Đặc trưng máy phay ngang Shizuoka SP-CH

Máy phay ngang Shizuoka SP-CH
Máy phay ngang Shizuoka SP-CH được thiết kế theo hướng cứng vững – vận hành ổn định – truyền động nhanh – bôi trơn cưỡng bức, đáp ứng tốt từ gia công phay thông thường đến các yêu cầu cắt tải nặng. Các đặc trưng dưới đây tập trung vào khả năng làm việc, kết cấu, hệ thống truyền động và các trang bị hỗ trợ vận hành.
Phạm vi ứng dụng rộng:
Kết cấu vững chắc, kích thước gọn, máy đa dụng, phù hợp hầu như mọi công việc phay thông thường.
Cắt ổn định & êm:
Trục chính được đỡ tại 3 điểm và có bánh đà giúp ổn định chuyển động quay. Nhờ đó cho phép cắt êm và chính xác ngay cả khi tải nặng.
Cắt nặng:
Kết cấu dạng hộp liền khối (box-type overarm) giúp máy có bề rộng và độ cứng vững đủ để chịu được cắt nặng.
Cắt tốc độ cao:
Trục dao đôi (double arbor) được đỡ bằng ổ kim loại có thể điều chỉnh, loại bỏ kẹt và quá nhiệt khi cắt tốc độ cao.
Vận hành được cho phay đứng:
Khi dùng bộ gá chuyên dụng cho phay đứng, máy có thể thực hiện phay đứng tải nặng. Việc lắp/tháo nhanh nhờ cần trục jib gắn trên máy.
Vùng làm việc rộng:
Nhờ bệ trượt (saddle) lớn, bàn máy có hành trình dài hơn so với máy cùng cấp, và có thể gá phôi tới 300 kg.
Truyền động nhanh:
Tốc độ trục chính và lượng chạy dao bàn có thể thay đổi chính xác và nhanh bằng núm chọn trực tiếp. Đổi tốc độ rất đơn giản, thao tác một chạm hoàn tất chọn tốc độ mong muốn.
Bôi trơn cưỡng bức:
Bôi trơn cưỡng bức bằng bơm pít-tông bảo đảm cấp dầu ổn định và đúng cho mọi bề mặt trượt trên cột, bàn, bệ trượt (saddle), bàn nâng (knee), và các phần chuyển động của ổ đỡ, vít me chạy dao, bánh răng.
Chạy dao đồng thời:
Chạy dao nhanh theo phương đứng và phương dọc có thể thực hiện đồng thời vì mỗi chạy dao có mô-tơ riêng. Người vận hành có thể thiết lập nhanh nhất có thể.

Bộ khử rơ:
Nhờ bộ khử rơ lắp cho vít me chạy dao dọc của bàn, máy dùng được cho phay thuận (down-cut milling). Đồng thời có cơ cấu điều chỉnh để chỉnh độ rơ trên vít me chạy dao ngang.
Thiết bị an toàn:
Chạy dao dọc của bàn khởi động bằng gạt cần sang phải/trái và dừng bằng bộ chặn tự động. Khi quá tải tác dụng lên dao, chạy dao tự dừng nhờ chốt cắt (shear pin). Có công tắc hành trình an toàn cho giới hạn trên/dưới hành trình bàn nâng (knee). Bảng điều khiển có rơ-le nhiệt và aptomat (no-fuse breaker). Bảng thao tác trước có công tắc dừng khẩn cấp. Các biện pháp an toàn này giúp người vận hành tránh nguy hiểm trong quá trình gia công.
Dầu làm mát:
Dầu làm mát được bơm từ thùng trong bệ máy bằng bơm tự mồi đặt trong cột và cấp tới dao qua vòi phun.
Lắp đặt:
Cân chỉnh máy dễ dàng bằng 4 bulông cân chỉnh tại các góc bệ máy.
Độ chính xác cao:
Mỗi máy hoàn thiện được kiểm tra kỹ lưỡng về độ chính xác theo JIS (Tiêu chuẩn Công nghiệp Nhật Bản) trước khi xuất xưởng. Chỉ máy đạt tiêu chuẩn nghiêm ngặt mới được giao kèm chứng chỉ kiểm tra độ chính xác.
Chạy dao ngang bằng động lực cho bàn:
Máy có thể cung cấp tùy chọn chạy dao ngang bằng động lực (power cross feed) theo yêu cầu.

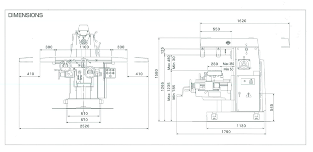
Sơ đồ kích thước máy phay ngang Shizuoka SP-CH

Thông số kỹ thuật máy phay ngang Shizuoka SP-CH
| Thông số kỹ thuật | Đơn vị | SP-CH | |
| Bàn máy | Diện tích làm việc của bàn | mm | 1,100 × 280 |
| Diện tích làm việc của bàn (Lựa chọn) | mm | 1,300 × 280 | |
| Hành trình dọc | mm | 820 | |
| Hành trình ngang | mm | 300 | |
| Hành trình đứng | mm | 450 | |
| Rãnh T (bề rộng × số lượng × khoảng cách) | mm | 16 mm × 3 × 60 mm | |
| Chạy dao dọc và ngang | bước | 12 bước | |
| Chạy dao dọc và ngang (60Hz) | mm/min (12 bước) | 15–720 | |
| Chạy dao dọc và ngang (50Hz) | mm/min (12 bước) | 13–600 | |
| Chạy dao nhanh dọc và ngang (60Hz) | mm/min | 3000 | |
| Chạy dao nhanh dọc và ngang (50Hz) | mm/min | 2500 | |
| Chạy dao nhanh theo phương đứng (60Hz) | mm/min | 800 | |
| Chạy dao nhanh theo phương đứng (50Hz) | mm/min | 665 | |
| Trục chính | Dải tốc độ | min⁻¹ (cấp) | 90–1,400 (9 cấp) |
| Côn trục chính |
| NST 50 | |
| Khoảng cách từ tâm trục chính đến bề mặt bàn | mm | 30–480 | |
| Động cơ | Trục chính | kW | 3.7 |
| Chạy dao dọc bàn | kW | 1.5 | |
| Chạy dao nhanh theo phương đứng | kW | 0.6 | |
| Làm mát | W | 100 | |
| Khối lượng | Khối lượng tịnh | kgs | 2,300 |
| Thông số khi dùng bộ phay đứng | Khoảng cách từ đầu trục chính đến bề mặt bàn | mm | 0–395 |
| Khoảng cách từ tâm trục chính đến bề mặt cột | mm | 300 | |
| Côn đầu trục chính |
| NST 50 | |
Phụ kiện tiêu chuẩn
| STT | Phụ kiện tiêu chuẩn | Số lượng |
| 1 | Bộ bơm làm mát | 1 bộ |
| 2 | Trục gá dao phay kèm vòng chặn 1" | 1 bộ |
| 3 | Thanh siết trục gá (arbor fastening bar) | 1 bộ |
| 4 | Bu lông cân máy | 4 cái |
| 5 | Bộ lục giác | 1 bộ |
| 6 | Mỏ lết điều chỉnh | 1 cái |
| 7 | Cờ lê | 1 bộ |
| 8 | Súng bơm mỡ | 1 cái |
| 9 | Bình châm dầu | 1 cái |
| 10 | Tua vít (+, −) | Mỗi loại 1 cái |
| 11 | Hộp dụng cụ | 1 cái |
| 12 | Sách hướng dẫn | 1 quyển |
| 13 | Chứng chỉ kiểm tra độ chính xác | 1 bản |
Phụ kiện lựa chọn
| STT | Phụ kiện lựa chọn |
| 1 | Bộ phay đứng kèm cần trục jib |
| 2 | Trục gá dao phay; 1", 1-1/4" |
| 3 | Thiết bị chiếu sáng |
| 4 | Mâm cặp phay |
| 5 | Giá dao thay nhanh |
| 6 | Tấm chắn bắn dung dịch làm mát |
📞 Liên hệ tư vấn máy
Hotline: 0912.002.160
Email: attjsc@machinetools.com.vn
Thông số kỹ thuật máy phay ngang Shizuoka SP-CH
|
Thông số kỹ thuật |
Đơn vị |
SP-CH |
|
|
Bàn máy |
Diện tích làm việc của bàn |
mm |
1,100 × 280 |
|
Diện tích làm việc của bàn (Lựa chọn) |
mm |
1,300 × 280 |
|
|
Hành trình dọc |
mm |
820 |
|
|
Hành trình ngang |
mm |
300 |
|
|
Hành trình đứng |
mm |
450 |
|
|
Rãnh T (bề rộng × số lượng × khoảng cách) |
mm |
16 mm × 3 × 60 mm |
|
|
Chạy dao dọc và ngang |
bước |
12 bước |
|
|
Chạy dao dọc và ngang (60Hz) |
mm/min (12 bước) |
15–720 |
|
|
Chạy dao dọc và ngang (50Hz) |
mm/min (12 bước) |
13–600 |
|
|
Chạy dao nhanh dọc và ngang (60Hz) |
mm/min |
3000 |
|
|
Chạy dao nhanh dọc và ngang (50Hz) |
mm/min |
2500 |
|
|
Chạy dao nhanh theo phương đứng (60Hz) |
mm/min |
800 |
|
|
Chạy dao nhanh theo phương đứng (50Hz) |
mm/min |
665 |
|
|
Trục chính |
Dải tốc độ |
min⁻¹ (cấp) |
90–1,400 (9 cấp) |
|
Côn trục chính |
|
NST 50 |
|
|
Khoảng cách từ tâm trục chính đến bề mặt bàn |
mm |
30–480 |
|
|
Động cơ |
Trục chính |
kW |
3.7 |
|
Chạy dao dọc bàn |
kW |
1.5 |
|
|
Chạy dao nhanh theo phương đứng |
kW |
0.6 |
|
|
Làm mát |
W |
100 |
|
|
Khối lượng |
Khối lượng tịnh |
kgs |
2,300 |
|
Thông số khi dùng bộ phay đứng |
Khoảng cách từ đầu trục chính đến bề mặt bàn |
mm |
0–395 |
|
Khoảng cách từ tâm trục chính đến bề mặt cột |
mm |
300 |
|
|
Côn đầu trục chính |
|
NST 50 |
|
Phụ kiện tiêu chuẩn
|
STT |
Phụ kiện tiêu chuẩn |
Số lượng |
|
1 |
Bộ bơm làm mát |
1 bộ |
|
2 |
Trục gá dao phay kèm vòng chặn 1" |
1 bộ |
|
3 |
Thanh siết trục gá (arbor fastening bar) |
1 bộ |
|
4 |
Bu lông cân máy |
4 cái |
|
5 |
Bộ lục giác |
1 bộ |
|
6 |
Mỏ lết điều chỉnh |
1 cái |
|
7 |
Cờ lê |
1 bộ |
|
8 |
Súng bơm mỡ |
1 cái |
|
9 |
Bình châm dầu |
1 cái |
|
10 |
Tua vít (+, −) |
Mỗi loại 1 cái |
|
11 |
Hộp dụng cụ |
1 cái |
|
12 |
Sách hướng dẫn |
1 quyển |
|
13 |
Chứng chỉ kiểm tra độ chính xác |
1 bản |
Phụ kiện lựa chọn
|
STT |
Phụ kiện lựa chọn |
|
1 |
Bộ phay đứng kèm cần trục jib |
|
2 |
Trục gá dao phay; 1", 1-1/4" |
|
3 |
Thiết bị chiếu sáng |
|
4 |
Mâm cặp phay |
|
5 |
Giá dao thay nhanh |
|
6 |
Tấm chắn bắn dung dịch làm mát |

Bình luận