Máy phay đứng và ngang kiểu turret Shizouka VHR-GD được sản xuất và nhập khẩu từ Nhật Bản, chuyên dùng trong cơ khí để gia công kim loại hoặc khuôn mẫu. Máy chủ yếu dùng để khoan doa, phay mặt, phay ngón, tạo rãnh theo chiều đứng và ngang. Kiểu vận hành manual nhưng đảm bảo độ chính xác cao.

Thông số kỹ thuật máy phay đứng và ngang kiểu turret Shizouka VHR-GD
Thông số kỹ thuật
| Thông số kỹ thuật | VHR-GD |
| Bàn máy | |
| Kích thước bề mặt làm việc | 1.100 x 280 mm |
| Kích thước rãnh chữ T | 16 x 3 x 60 mm |
| Tải trọng tối đa | 300 kg |
| Hành trình (X) | 820 mm |
| Hành trình (Y) | 300 mm |
| Hành trình (Z) | 450 mm |
| Tốc độ chạy dao cắt (X) | 10 ~ 1.200 mm/phút |
| Tốc độ chạy dao nhanh (X/Y) | 3.000 mm/phút |
| Tốc độ chạy dao nhanh (Z) | 665 mm/phút (50Hz) / 800 mm/phút (60Hz) |
| Trục chính đứng | |
| Tốc độ trục chính | 20 ~ 6.000 vòng/phút |
| Côn trục chính | 7/24 NT40 |
| Hành trình quill | 140 mm |
| Tiến dao tự động dạng quill | 0.035 - 0.07 - 0.14 mm/vòng (3 cấp) |
| Góc nghiêng trái/phải | 90° |
| Hành trình ram | 535 mm |
| Khoảng cách từ trục chính đến bàn | 130 ~ 580 mm |
| Khoảng cách từ bàn đến mặt bích trục chính | 100 ~ 635 mm |
| Trục chính ngang | |
| Tốc độ trục chính ngang | 90 ~ 1.400 vòng/phút (9 cấp) |
| Côn trục chính ngang | 7/24 NT50 |
| Khoảng cách từ tâm trục chính đến bàn | 20 ~ 470 mm |
| Khoảng cách từ tâm trục chính đến cần ngang | 178 mm |
| Động cơ |
|
| Trục chính đứng | 2.2 kW |
| Trục chính ngang | 3.7 kW |
| Tiến dao trục X/Y | 0.9 kW |
| Tiến dao trục Z | 0.6 kW |
| Nguồn điện AC200/220V | 11 KVA |
| Bể chứa dung dịch làm mát | 25 L |
| Kích thước máy |
|
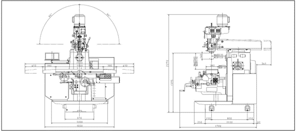
| Chiều cao | 2270mm |
| Diện tích sàn | 2.520 x 2.135 mm |
| Trọng lượng | 2.500 kg |
Phụ kiện tiêu chuẩn
• Bộ đếm kỹ thuật số (X, Y) Mitutoyo
• Hệ thống bôi trơn tự động
• Bộ cấp dầu cắt
• Bu lông kẹp
• Bu lông cân bằng
• Tấm chắn phoi và khay dầu
• Bộ dụng cụ & hộp dụng cụ
• Sổ tay hướng dẫn & bảng độ chính xác
Phụ kiện lựa chọn và đặc biệt
• Bàn máy dài (1.300 x 280 mm, hành trình 1.000 mm)
• Đế nâng cao 100 mm
• Tay quay điều chỉnh tinh
• Bộ đếm kỹ thuật số (Z)
• Đèn máy
Sơ đồ kích thước máy

Các cam kết và thông tin liên hệ
Để được tư vấn chi tiết và báo giá nhanh chóng, Quý khách vui lòng liên hệ với chúng tôi qua Hotline: 0912.002.160 hoặc Email: attjsc@machinetools.com.vn
Công ty Cổ phần Thương mại và Công nghệ Á Châu (ATT-JSC) cam kết mang đến cho khách hàng những giải pháp gia công tối ưu, máy móc chính hãng chất lượng cao, giá thành hợp lý cùng dịch vụ kỹ thuật tận tâm. Với đội ngũ chuyên gia giàu kinh nghiệm, chúng tôi luôn đồng hành cùng khách hàng trong suốt quá trình vận hành và bảo dưỡng thiết bị.
Thông số kỹ thuật máy phay đứng và ngang kiểu turret Shizouka VHR-GD
|
Thông số kỹ thuật |
VHR-GD |
|
Bàn máy |
|
|
Kích thước bề mặt làm việc |
1.100 x 280 mm |
|
Kích thước rãnh chữ T |
16 x 3 x 60 mm |
|
Tải trọng tối đa |
300 kg |
|
Hành trình (X) |
820 mm |
|
Hành trình (Y) |
300 mm |
|
Hành trình (Z) |
450 mm |
|
Tốc độ chạy dao cắt (X) |
10 ~ 1.200 mm/phút |
|
Tốc độ chạy dao nhanh (X/Y) |
3.000 mm/phút |
|
Tốc độ chạy dao nhanh (Z) |
665 mm/phút (50Hz) / 800 mm/phút (60Hz) |
|
Trục chính đứng |
|
|
Tốc độ trục chính |
20 ~ 6.000 vòng/phút |
|
Côn trục chính |
7/24 NT40 |
|
Hành trình quill |
140 mm |
|
Tiến dao tự động dạng quill |
0.035 - 0.07 - 0.14 mm/vòng (3 cấp) |
|
Góc nghiêng trái/phải |
90° |
|
Hành trình ram |
535 mm |
|
Khoảng cách từ trục chính đến bàn |
130 ~ 580 mm |
|
Khoảng cách từ bàn đến mặt bích trục chính |
100 ~ 635 mm |
|
Trục chính ngang |
|
|
Tốc độ trục chính ngang |
90 ~ 1.400 vòng/phút (9 cấp) |
|
Côn trục chính ngang |
7/24 NT50 |
|
Khoảng cách từ tâm trục chính đến bàn |
20 ~ 470 mm |
|
Khoảng cách từ tâm trục chính đến cần ngang |
178 mm |
|
Động cơ |
|
|
Trục chính đứng |
2.2 kW |
|
Trục chính ngang |
3.7 kW |
|
Tiến dao trục X/Y |
0.9 kW |
|
Tiến dao trục Z |
0.6 kW |
|
Nguồn điện AC200/220V |
11 KVA |
|
Bể chứa dung dịch làm mát |
25 L |
|
Kích thước máy |
|
|
Chiều cao |
2270mm |
|
Diện tích sàn |
2.520 x 2.135 mm |
|
Trọng lượng |
2.500 kg |

Bình luận